型 号GBJ810
品 牌ASEMI
封 装KBJ-4
特 性薄体扁桥
| 正向电流 (lo) |
反向耐压 VRRM |
芯片材质 Material |
芯片个数 Number |
|---|---|---|---|
| 8A | 50V~1000V | GPP硅芯片 | 4 |
| 正向电压 (VF) |
浪涌电流 IFSM |
芯片尺寸 Chip Size |
引线数量 Lead Number |
| 1.05V | 200A | 95MIL | 4 |
| 漏电流 (lr) |
操作温度 Temperature |
恢复时间 (Trr) |
包装方式 Package |
| ≤5ua | -50℃~150℃ | >>500ns | 250/盒;2000/箱 |
参数详解 / Product parameters
产品细节 / detail
整流桥堆:GBJ810,电性参数:8A,1000V
镭射激光打标,不易褪色;黑胶采用环氧树脂材料,绝缘性好
框架引脚,采用无氧铜材料,导电性能好
250/盒,内盒采用牛皮纸盒,防物料刮花,可回收重复利用
2.5K/箱,采用5层瓦楞纸箱,防潮袋及4道紧固带保护
内盒采用牛皮纸盒,可回收利用
产品详解 / desvription
激光印字
塑料外壳封装
无氧铜引脚
产品解析
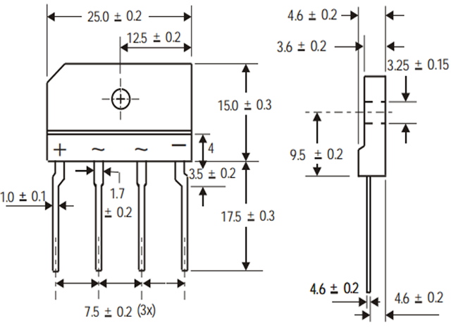
产品尺寸 / size
本体长度:25.00mm
引脚长度:17.5mm
本体宽度:32.5mm
定位孔高度:11.50mm
本体高度:20.0mm
引脚厚度:0.70mm
脚间距:7.5mm
台湾工艺 / process
产品稳定
产品数量准确
注塑成型
完善人际交互
经过6道质检
产品PK / product
应用领域 / application
公司资质 / qualification




合作伙伴 / Partner
